Part Number Hot Search : 
J110A CGP3011 PRECI SPC560 SD05C SIC521A NC33395T PHX3055L
Product Description
Full Text Search

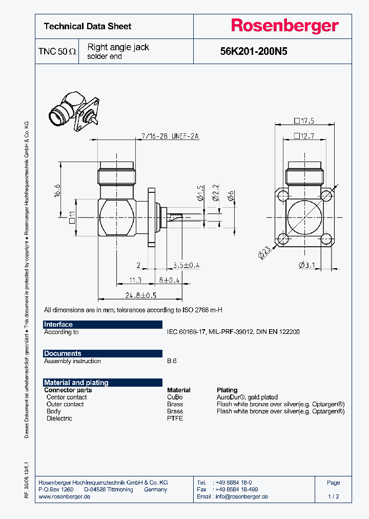
56K201-200N5 - TNC 50 Right angle jack SOLDER END

56K201-200N5_9003079.PDF Datasheet


 Full text search : TNC 50 Right angle jack SOLDER END
 Product Description search : TNC 50 Right angle jack SOLDER END


 Related Part Number
PART Description Maker
56S201-308A4 56K106-001A4 CABLE TERMINATED, MALE, TNC CONNECTOR, CRIMP SOLDER, PLUG
CABLE TERMINATED, FEMALE, TNC CONNECTOR, CLAMP SOLDER, JACK
ROSENBERGER HOCHFREQUENZTECHNIK GMBH & CO KG
R143710000 ADAPTOR, TNC JACK-JACK; Connector type A:TNC Female; Connector type B:TNC Female; Impedance:50R RoHS Compliant: Yes PANEL MOUNT, FEMALE, RF STRAIGHT ADAPTER, JACK
Radiall S.A.
56K504-200N5 TNC 50 BULKHEAD JACK SOLDER END
Rosenberger Hochfrequen...
0732055033 50 Ohms, TNC Right-Angle PCB Bulkhead Jack Receptacle
Molex Electronics Ltd.
6015-6583-010 PANEL MOUNT, CABLE TERMINATED, FEMALE, TNC CONNECTOR, SOLDER, JACK
APPLIED ENGINEERING PRODUCTS
73216-1501 50 Ohms, TNC Jack, Bulkhead Right-Angle Reverse Polarity No Hardware Included
Molex Electronics Ltd.
6002-1041-002 6002-1071-002 6001-1071-002 6002-104 PANEL MOUNT, CABLE TERMINATED, FEMALE, TNC CONNECTOR, CLAMP SOLDER, JACK
PANEL MOUNT, CABLE TERMINATED, FEMALE, TNC CONNECTOR, CRIMP, JACK
APPLIED ENGINEERING PRODUCTS
SS-7488S-GY-PG1 ONE PIECE SHIELDED SINGLE PORT LED JACK 8 CONTACT(S), FEMALE, RIGHT ANGLE TELECOM AND DATACOM CONNECTOR, SOLDER, JACK
Bel Fuse, Inc.
BEL[Bel Fuse Inc.]
SS-734855-NF FOUR CONTACT, EIGHT POSITION STACK JACK UNSHIELDED, 10 PORT (5 ON 5) 40 CONTACT(S), FEMALE, RIGHT ANGLE TELECOM AND DATACOM CONNECTOR, SOLDER, JACK
Bel Fuse, Inc.
BEL[Bel Fuse Inc.]
SS-738822S-PG2-AC EIGHT CONTACT, EIGHT POSITION SHIELDED STACKED HARMONICA JACK 4 PORTS(2 ON 2) 32 CONTACT(S), FEMALE, RIGHT ANGLE TELECOM AND DATACOM CONNECTOR, SOLDER, JACK
Bel Fuse, Inc.
Bel Fuse Inc.
http://
SS-73100-069 HIGH PERFORMANCE SHIELDED STACK JACK, 12 PORTS (6 ON 6) EIGHT CONTACT, EIGHT POSITION 96 CONTACT(S), FEMALE, RIGHT ANGLE TELECOM AND DATACOM CONNECTOR, SOLDER, JACK
Bel Fuse, Inc.
BEL[Bel Fuse Inc.]
SS-73100-044 HIGH PERFORMANCE SHIELDED STACK JACK EIGHT CONTACT, EIGHT POSITION 50 MICRO INCHES GOLD 12 PORTS (6 ON 6) 96 CONTACT(S), FEMALE, RIGHT ANGLE TELECOM AND DATACOM CONNECTOR, SOLDER, JACK
Bel Fuse, Inc.
Bel Fuse Inc.
 
 Related keyword From Full Text Search System
56K201-200N5 Amp 56K201-200N5 nec 56K201-200N5 Pass 56K201-200N5 Download 56K201-200N5 vishay
56K201-200N5 number 56K201-200N5 products 56K201-200N5 Price 56K201-200N5 uncooled cel 56K201-200N5 advantech pdf
 

 

Price & Availability of 56K201-200N5

All Rights Reserved © IC-ON-LINE 2003 - 2022  

[Add Bookmark] [Contact Us] [Link exchange] [Privacy policy]
Mirror Sites :  [www.datasheet.hk]   [www.maxim4u.com]  [www.ic-on-line.cn] [www.ic-on-line.com] [www.ic-on-line.net] [www.alldatasheet.com.cn] [www.gdcy.com]  [www.gdcy.net]


 . . . . .
  We use cookies to deliver the best possible web experience and assist with our advertising efforts. By continuing to use this site, you consent to the use of cookies. For more information on cookies, please take a look at our Privacy Policy. X
1.3532831668854