Part Number Hot Search : 
ZY110B C1413CPA PE3916LF T10B180E DTSPU68 BD9528 M21BD42 WH300
Product Description
Full Text Search

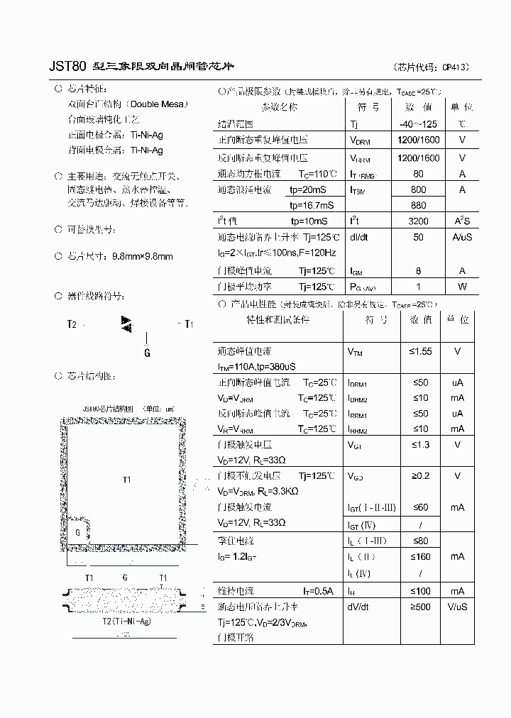
JST80 - Triac Chips

JST80_8351616.PDF Datasheet


 Full text search : Triac Chips
 Product Description search : Triac Chips


 Related Part Number
PART Description Maker
JST220 Triac Chips
JIEJIE MICROELECTRONICS...
SSB-COB6527GW 65mm x 27mm VIEW AREA, CHIP ON BOARD LED BACKLIGHT, 565mm GREEN CHIPS, 44 CHIPS, 4.2V 220mA
LUMEX INC.
CQ92BT CQ92NT CQ92DT CQ92MT Leaded Thyristor TRIAC
Triac 12 Amp, 600 Volt Triac Chip
   TRIAC
Central Semiconductor Corp.
CENTRAL[Central Semiconductor Corp]
Central Semiconductor C...
BTA41-400 BTA41-400B BTA41-700B BTA41A BTA41B BTB4 Standard triac, 40Ampere, 800V
Standard triac, 40Ampere, 600V
Standard triac, 40Ampere, 400V
From old datasheet system
STANDARD TRIACS
POWERLINE: RP15-S_DEW - 4:1 Wide Input Voltage Range- 15 Watts Output Power- 1.6kVDC Isolation- Fixed Operating Frequency- Six-Sided Continuous Shield- International Safety Standard Approvals- Standard 50.8 x40.6x10.2mm Package- Efficiency to 82%
400 V, 40 A, 4 QUADRANT LOGIC LEVEL TRIAC
Standard triac, 40Ampere, 700V
SGS Thomson Microelectronics
ST Microelectronics
STMICROELECTRONICS[STMicroelectronics]
意法半导
MAC228A MAC228A10 MAC228A10G MAC228A4 MAC228A6 MAC TRIAC 8A 600V
TRIAC 8A 400V
TRIAC 8A 200V
ON Semiconductor
JST40    Triac Chips
JIEJIE MICROELECTRONICS...
Q4008R455 Q4X8E373 Q4X8E373AP Q4015R552 Q4015R553 400 V, 8 A, TRIAC, TO-220AB
400 V, 0.8 A, TRIAC, TO-92
400 V, 15 A, TRIAC, TO-220AB
500 V, 4 A, TRIAC, TO-202AB
800 V, 4 A, TRIAC, TO-220AB
800 V, 10 A, TRIAC, TO-220AB
200 V, 8 A, TRIAC
200 V, 10 A, TRIAC

CQ220I-12D CQ220I-12N CQ220I-12M CQ220I-12B ISOLATED TAB TRIAC 12 AMP 200 V, 12 A, 4 QUADRANT LOGIC LEVEL TRIAC
ISOLATED TAB TRIAC 12 AMP 800 V, 12 A, 4 QUADRANT LOGIC LEVEL TRIAC
ISOLATED TAB TRIAC 12 AMP 600 V, 12 A, 4 QUADRANT LOGIC LEVEL TRIAC
Leaded Thyristor TRIAC
Central Semiconductor, Corp.
Central Semiconductor Corp.
BM-10EG88MD hi-eff red chips and green chips, the hi-eff red chips are made from GaAsP on GaP substrate, the green chips are made from GaP on GaP substrate.
BRIGHT LED ELECTRONICS CORP
CQ220I-8 CQ220I-8D CQ220I-8M CQ220I-8N CQ220I-8B C Leaded Thyristor TRIAC
ISOLATED TAB TRIAC 8.0 AMP 200 THRU 800 VOLTS 800 V, 8 A, 4 QUADRANT LOGIC LEVEL TRIAC, TO-220AB
ISOLATED TAB TRIAC 8.0 AMP 200 THRU 800 VOLTS 600 V, 8 A, 4 QUADRANT LOGIC LEVEL TRIAC, TO-220AB
TRIAC|400V V(DRM)|8A I(T)RMS|TO-220AB 400 V, 8 A, 4 QUADRANT LOGIC LEVEL TRIAC, TO-220AB
ISOLATED TAB TRIAC 8.0 AMP 200 THRU 800 VOLTS 400 V, 8 A, 4 QUADRANT LOGIC LEVEL TRIAC, TO-220AB
TRIAC|200V V(DRM)|8A I(T)RMS|TO-220AB 200 V, 8 A, 4 QUADRANT LOGIC LEVEL TRIAC, TO-220AB
TRIAC|800V V(DRM)|8A I(T)RMS|TO-220AB 800 V, 8 A, 4 QUADRANT LOGIC LEVEL TRIAC, TO-220AB
ISOLATED TAB TRIAC 8.0 AMP 200 THRU 800 VOLTS 隔震统计表可控硅8.0放大00 7860 800伏特
TRIAC|600V V(DRM)|8A I(T)RMS|TO-220AB 600 V, 8 A, 4 QUADRANT LOGIC LEVEL TRIAC, TO-220AB
Central Semiconductor Corp.
Central Semiconductor, Corp.
FODM302 FODM3022 FODM30XX FODM3053R1NL FODM3023R1 400V Random Phase Triac Driver 5mA; ; No of Pins: 4; Container: Tape & Reel 1 CHANNEL TRIAC OUTPUT OPTOCOUPLER
600V Random Phase Triac Driver 5mA 1 CHANNEL TRIAC OUTPUT OPTOCOUPLER
4-Pin Full Pitch Mini-Flat Package Random-Phase Triac Driver Output Optocouplers
Fairchild Semiconductor, Corp.
BCR8KM-12LA-A8 BCR8KM-12LA 600 V, 8 A, TRIAC, TO-220AB TO-220FN, 3 PIN
Triac Medium Power Use
TE Connectivity, Ltd.
Renesas Electronics Corporation.
 
 Related keyword From Full Text Search System
JST80 ac/dc eurocard JST80 processor JST80 register JST80 Supply JST80 synchronous
JST80 complimentary against JST80 MARKING JST80 ic资料网 JST80 SePIC JST80 Converter
 

 

Price & Availability of JST80

All Rights Reserved © IC-ON-LINE 2003 - 2022  

[Add Bookmark] [Contact Us] [Link exchange] [Privacy policy]
Mirror Sites :  [www.datasheet.hk]   [www.maxim4u.com]  [www.ic-on-line.cn] [www.ic-on-line.com] [www.ic-on-line.net] [www.alldatasheet.com.cn] [www.gdcy.com]  [www.gdcy.net]


 . . . . .
  We use cookies to deliver the best possible web experience and assist with our advertising efforts. By continuing to use this site, you consent to the use of cookies. For more information on cookies, please take a look at our Privacy Policy. X
1.4252018928528