Part Number Hot Search : 
ON1376 3108M BCAE79 MIP2K4 15102PI AD588BQ 2SK13 74AC2
Product Description
Full Text Search

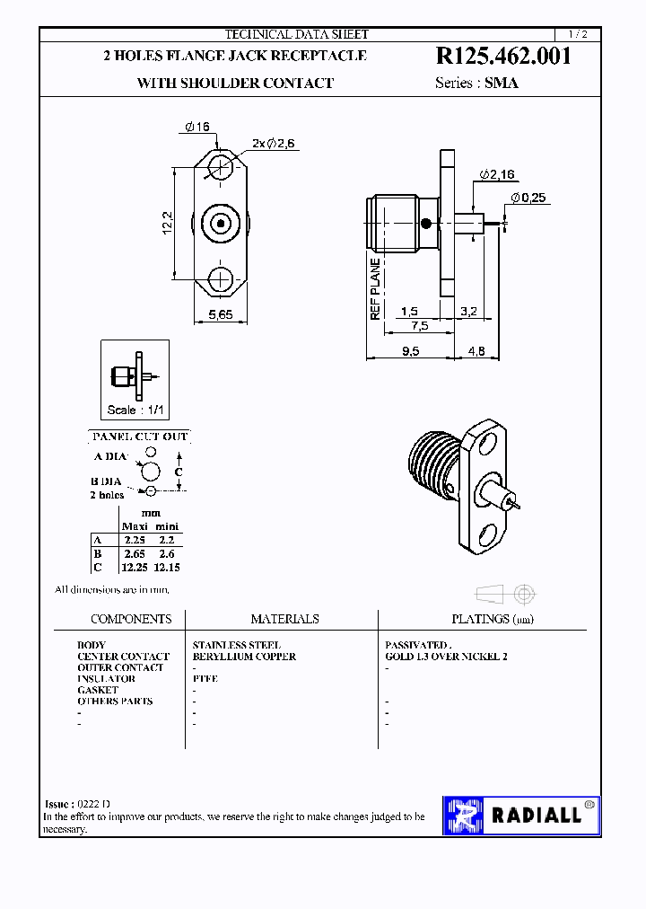
R125462001 - 2 HOLES FLANGE JACK RECEPTACLE WITH SHOULDER CONTACT

R125462001_8206594.PDF Datasheet


 Full text search : 2 HOLES FLANGE JACK RECEPTACLE WITH SHOULDER CONTACT
 Product Description search : 2 HOLES FLANGE JACK RECEPTACLE WITH SHOULDER CONTACT


 Related Part Number
PART Description Maker
0732510410 50 Ohms, SMA Flange - 4 Hole - Jack Receptacle -Candlestick
Molex Electronics Ltd.
47272-0024 0.50mm (.020) Pitch DisplayPort* Male Receptacle, Right Angle, SMT, 0.76μm (30μ)Gold (Au) Plating, 20 Circuits, with Cover, Latch Holes, Mylar, Peg, Solder Tab of Shell,without Flange
Molex Electronics Ltd.
47272-1002 0.50mm (.020) Pitch DisplayPort* Male Receptacle, Right Angle, SMT, 0.76μm (30μ)Gold (Au) Plating, 20 Circuits, with Cover, Latch Holes, Peg, Solder Tab of Shell, without Flange or Mylar
Molex Electronics Ltd.
47272-0001 0472720001 0.50mm (.020) Pitch DisplayPort* Male Receptacle, Right Angle, SMT, 0.76μm (30μ)Gold (Au) Plating, 20 Circuits, without Cover, Mylar or Flange; with Latch Holes, Peg and Solder Tab of Shell, Leadfree
Molex Electronics Ltd.
73251-0280 50 Ohms, SMA Two Hole Flange, Jack Receptacle, Strip-Line Tab Terminal
Molex Electronics Ltd.
73251-0250 SMA JACK 2 HOLE FLANGE W/SOLDER POT PANEL MOUNT, FEMALE, SMA CONNECTOR, SOLDER, RECEPTACLE
Molex, Inc.
A-30069-02A2 Mini-Fit? TPA Header, 4.20mm Pitch, Dual Row, Vertical, with PCB Mounting Flange, 2 Circuits, Gold (Au) Plating, without Drain Holes
Molex Electronics Ltd.
30069-1611 4.20mm Pitch, Mini-Fit? TPA Header, Dual Row, Vertical, with PCB Mounting Flange, 16 Circuits, Tin (Sn) Over Nickel (Ni) Plating, without Drain Holes
Molex Electronics Ltd.
SS71800-022F SS71800-023F EIGHT CONTACT, EIGHT POSITION, CAT 5/5e VERTICAL MOUNT UNSHIELDED JACK, NON-FLANGE
Bel Fuse Inc.
73251-1020 50 Ohms, SMA ll-Flange - Two Hole - Jack Field Replaceable -EMI/RFI Ground Ring
Molex Electronics Ltd.
73251-0180 50 Ohms, SMA Flange - Two Hole - Jack Field Replaceable - EMI/RFI Ground Ring
Molex Electronics Ltd.
 
 Related keyword From Full Text Search System
R125462001 array R125462001 header R125462001 替换表 R125462001 Battery MCU R125462001 supply
R125462001 Description R125462001 astable multivibrators R125462001 toshiba R125462001 saw filter R125462001 output data
 

 

Price & Availability of R125462001

All Rights Reserved © IC-ON-LINE 2003 - 2022  

[Add Bookmark] [Contact Us] [Link exchange] [Privacy policy]
Mirror Sites :  [www.datasheet.hk]   [www.maxim4u.com]  [www.ic-on-line.cn] [www.ic-on-line.com] [www.ic-on-line.net] [www.alldatasheet.com.cn] [www.gdcy.com]  [www.gdcy.net]


 . . . . .
  We use cookies to deliver the best possible web experience and assist with our advertising efforts. By continuing to use this site, you consent to the use of cookies. For more information on cookies, please take a look at our Privacy Policy. X
2.0193819999695