Part Number Hot Search : 
HFI5N65S SBR3060R C3625 LBS17206 MAP9000 AUIRF 15KPA24 MUR5010
Product Description
Full Text Search

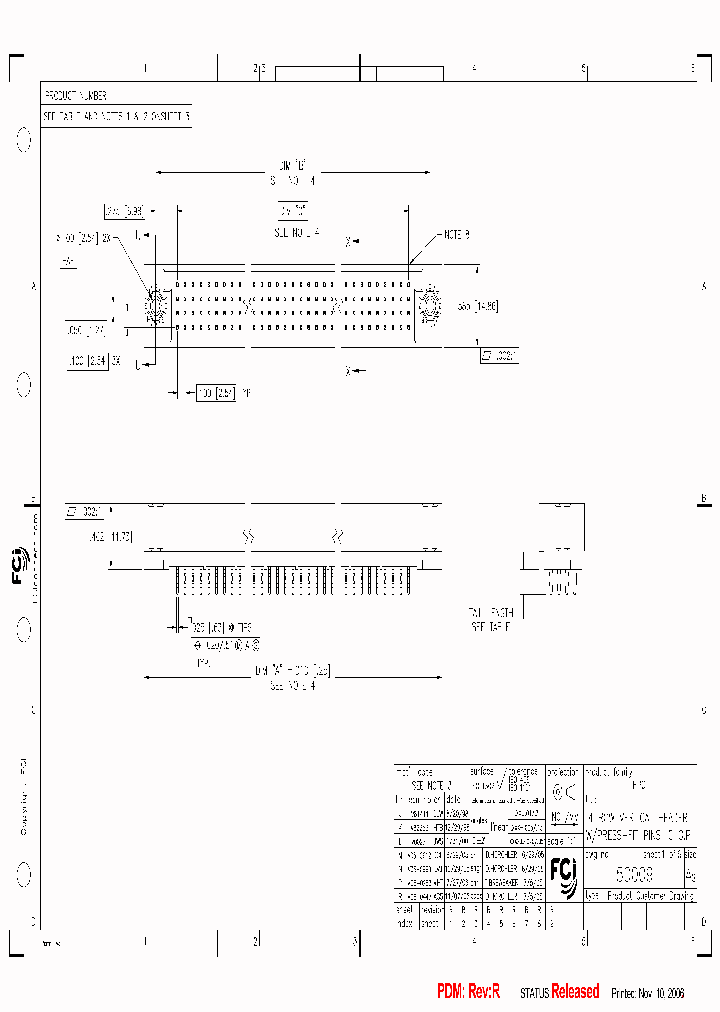
50009-1020R - 80 CONTACT(S), MALE, STRAIGHT TWO PART BOARD CONNECTOR, PRESS FIT

50009-1020R_6774064.PDF Datasheet


 Full text search : 80 CONTACT(S), MALE, STRAIGHT TWO PART BOARD CONNECTOR, PRESS FIT
 Product Description search : 80 CONTACT(S), MALE, STRAIGHT TWO PART BOARD CONNECTOR, PRESS FIT


 Related Part Number
PART Description Maker
22-03-2131 22-03-2201 22-10-2231 22-10-2261 22-03- Header Connector,PCB Mnt,RECEPT,13 Contacts,PIN,0.100 Pitch,PC TAIL Terminal 13 CONTACT(S), MALE, STRAIGHT TWO PART BOARD CONNECTOR, SOLDER
Header Connector,PCB Mnt,RECEPT,20 Contacts,PIN,0.1 Pitch,PC TAIL Terminal 20 CONTACT(S), MALE, STRAIGHT TWO PART BOARD CONNECTOR, SOLDER
KK 100 Hdr Flat Vert 20 Au 23Ckt 23 CONTACT(S), MALE, STRAIGHT TWO PART BOARD CONNECTOR, SOLDER
KK 100 Hdr Flat Vert 20 Au 26Ckt 26 CONTACT(S), MALE, STRAIGHT TWO PART BOARD CONNECTOR, SOLDER
KK 100 Hdr Flat Vert Tin 21Ckt 21 CONTACT(S), MALE, STRAIGHT TWO PART BOARD CONNECTOR, SOLDER
KK 100 Hdr Flat Vert 20 Au 17Ckt 17 CONTACT(S), MALE, STRAIGHT TWO PART BOARD CONNECTOR, SOLDER
HEADER,SQPIN0.1in10WAY 10 CONTACT(S), MALE, STRAIGHT TWO PART BOARD CONNECTOR, SOLDER
Header, Vertical; No. of Contacts:16; Pitch Spacing:2.54mm; No. of Rows:1; Gender:Header; Series:4030; Body Material:PA Polyamide (Nylon) 6/6; Current Rating:4A; Voltage Rating:250V
KK 100 Hdr Flat Vert Tin 24Ckt
TE Connectivity, Ltd.
Molex, Inc.
MOLEX INC
22-27-2111 22-27-2221 22-27-2251 22-27-2091 22-29- Header Connector,PCB Mnt,RECEPT,11 Contacts,PIN,0.100 Pitch,PC TAIL Terminal,POLARIZED LCK 11 CONTACT(S), MALE, STRAIGHT TWO PART BOARD CONNECTOR, SOLDER
2.54mm KK Hdr Vt FricLK VrA 5Sn 22Ckt 22 CONTACT(S), MALE, STRAIGHT TWO PART BOARD CONNECTOR, SOLDER
2.54mm KK Hdr Vt FricLK VrA 5Sn 25Ckt 25 CONTACT(S), MALE, STRAIGHT TWO PART BOARD CONNECTOR, SOLDER
Header Connector,PCB Mnt,RECEPT,9 Contacts,PIN,0.100 Pitch,PC TAIL Terminal,POLARIZED LCK 9 CONTACT(S), MALE, STRAIGHT TWO PART BOARD CONNECTOR, SOLDER
Header; No. of Contacts:6; Pitch Spacing:2.54mm; No. of Rows:1; Series:KK; Connector Body Material:Nylon; Mounting Type:PC Board; Terminal Type:Straight Pin RoHS Compliant: Yes 6 CONTACT(S), MALE, STRAIGHT TWO PART BOARD CONNECTOR, SOLDER
2.54mm KK Hdr Vt FricLK VrA 5Sn 23Ckt 23 CONTACT(S), MALE, STRAIGHT TWO PART BOARD CONNECTOR, SOLDER
Molex, Inc.
10-89-7562 10-89-7560 10-89-7561 10-89-7060 10-89- CGrid VT Bkwy Hdr 15 SAu 56Ckt (240/110) 56 CONTACT(S), MALE, STRAIGHT TWO PART BOARD CONNECTOR, SOLDER
CGrid VT Bkwy Hdr 30 SAu 56Ckt (240/110) 56 CONTACT(S), MALE, STRAIGHT TWO PART BOARD CONNECTOR, SOLDER
CGrid VT Bkwy Hdr Tin 56Ckt (240/110) 56 CONTACT(S), MALE, STRAIGHT TWO PART BOARD CONNECTOR, SOLDER
CGrid VT Bkwy Hdr 30 SAu 6Ckt (240/110) 6 CONTACT(S), MALE, STRAIGHT TWO PART BOARD CONNECTOR, SOLDER
HEADER STRIP 30X2 STRT, & 60 CONTACT(S), MALE, STRAIGHT TWO PART BOARD CONNECTOR, SOLDER
CGrid VT Bkwy Hdr 15 SAu 76Ckt (240/110) 76 CONTACT(S), MALE, STRAIGHT TWO PART BOARD CONNECTOR, SOLDER
Header Connector,PCB Mnt,RECEPT,6 Contacts,PIN,0.100 Pitch,PC TAIL Terminal 6 CONTACT(S), MALE, STRAIGHT TWO PART BOARD CONNECTOR, SOLDER
CGrid VT Bkwy Hdr 15 SAu 38Ckt (240/110) 38 CONTACT(S), MALE, STRAIGHT TWO PART BOARD CONNECTOR, SOLDER
Multipole Connector; Pitch Spacing:2.54mm; Gender:Header; Body Material:Polyester, Glass-filled 80 CONTACT(S), MALE, STRAIGHT TWO PART BOARD CONNECTOR, SOLDER
CGrid VT Bkwy Hdr 15 SAu 28Ckt (240/110) 28 CONTACT(S), MALE, STRAIGHT TWO PART BOARD CONNECTOR, SOLDER
CGrid VT Bkwy Hdr 30 SAu 62Ckt (240/110) 62 CONTACT(S), MALE, STRAIGHT TWO PART BOARD CONNECTOR, SOLDER
CGrid VT Bkwy Hdr Tin 62Ckt (240/110) 62 CONTACT(S), MALE, STRAIGHT TWO PART BOARD CONNECTOR, SOLDER
CGrid VT Bkwy Hdr 30 SAu 18Ckt (240/110) 18 CONTACT(S), MALE, STRAIGHT TWO PART BOARD CONNECTOR, SOLDER
CGrid VT Bkwy Hdr 30 SAu 48Ckt (240/110) 48 CONTACT(S), MALE, STRAIGHT TWO PART BOARD CONNECTOR, SOLDER
CGrid VT Bkwy Hdr 30 SAu 22Ckt (240/110) 22 CONTACT(S), MALE, STRAIGHT TWO PART BOARD CONNECTOR, SOLDER
CGrid VT Bkwy Hdr 30 SAu 36Ckt (240/110) 36 CONTACT(S), MALE, STRAIGHT TWO PART BOARD CONNECTOR, SOLDER
CGrid VT Bkwy Hdr 15 SAu 46Ckt (240/110) 46 CONTACT(S), MALE, STRAIGHT TWO PART BOARD CONNECTOR, SOLDER
10897341 34 CONTACT(S), MALE, STRAIGHT TWO PART BOARD CONNECTOR, SOLDER
CGrid VT Bkwy Hdr Tin 38Ckt (240/110) 38 CONTACT(S), MALE, STRAIGHT TWO PART BOARD CONNECTOR, SOLDER
CGrid VT Bkwy Hdr 15 SAu 62Ckt (240/110) 62 CONTACT(S), MALE, STRAIGHT TWO PART BOARD CONNECTOR, SOLDER
HEADER, 12-PIN, DUAL ROW, OPEN 12 CONTACT(S), MALE, STRAIGHT TWO PART BOARD CONNECTOR, SOLDER
CGrid VT Bkwy Hdr Tin 74Ckt (240/110) 74 CONTACT(S), MALE, STRAIGHT TWO PART BOARD CONNECTOR, SOLDER
CGrid VT Bkwy Hdr 15 SAu 58Ckt (240/110) 58 CONTACT(S), MALE, STRAIGHT TWO PART BOARD CONNECTOR, SOLDER
CGrid VT Bkwy Hdr 30 SAu 52Ckt (240/110) 52 CONTACT(S), MALE, STRAIGHT TWO PART BOARD CONNECTOR, SOLDER
10897720 72 CONTACT(S), MALE, STRAIGHT TWO PART BOARD CONNECTOR, SOLDER
32 CONTACT(S), MALE, STRAIGHT TWO PART BOARD CONNECTOR, SOLDER
CONNECTOR HEADER 2X16 THRU-HOLE
Multipole Connector; Number of Contacts:30; Pitch Spacing:2.54mm; Number of Rows:2; Gender:Header; Series:70280; Body Material:Polyester, Glass-filled; Contact Plating:Gold; Mounting Type:Straight PCB Thru Hole
CGrid VT Bkwy Hdr 15 SAu 36Ckt (240/110)
CGrid VT Bkwy Hdr Tin 36Ckt (240/110)
Molex, Inc.
MOLEX INC
70543-0251 70543-0045 70543-0248 70543-0278 70543- CGRID SL VHDR TIN 5 CKT 5 CONTACT(S), MALE, STRAIGHT TWO PART BOARD CONNECTOR, SOLDER
Header; No. of Contacts:11; Pitch Spacing:2.54mm; No. of Rows:1; Series:SL; Connector Body Material:Polyester; Mounting Type:PC Board; Terminal Type:Straight Pin 11 CONTACT(S), MALE, STRAIGHT TWO PART BOARD CONNECTOR, SOLDER
CGRID SL VHDR TIN 2 CKT 2 CONTACT(S), MALE, STRAIGHT TWO PART BOARD CONNECTOR, SOLDER
CGRID SL VHDR 15 GOLD 8 CKT 8 CONTACT(S), MALE, STRAIGHT TWO PART BOARD CONNECTOR, SOLDER
CGRID SL VHDR 15 GOLD 2 CKT 2 CONTACT(S), MALE, STRAIGHT TWO PART BOARD CONNECTOR, SOLDER
CGrid SL SMT Vhdr SR 150 30 SAu 3Ckt 3 CONTACT(S), MALE, STRAIGHT TWO PART BOARD CONNECTOR, SOLDER
CGRID SL VHDR SR 30 GOLD 4CKT 4 CONTACT(S), MALE, STRAIGHT TWO PART BOARD CONNECTOR, SOLDER
CGrid SL Srd VHdr SR 120 Tin 24Ckt 24 CONTACT(S), MALE, STRAIGHT TWO PART BOARD CONNECTOR, SOLDER
CGrid SL SMT Vhdr SR 120 15 SAu 3Ckt 3 CONTACT(S), MALE, STRAIGHT TWO PART BOARD CONNECTOR, SOLDER
Molex, Inc.
27-62-4068 27-66-4105 42491-0227 26-64-4030 27-62- KK 156 Hdr FrLk Peg 06 Ckt Tin 6 CONTACT(S), MALE, STRAIGHT TWO PART BOARD CONNECTOR, SOLDER
KK 156 Hdr FrLk Peg 10 Ckt Tin 10 CONTACT(S), MALE, STRAIGHT TWO PART BOARD CONNECTOR, SOLDER
Header, Vertical Friction Lock; No. of Contacts:3; Pitch Spacing:3.96mm; No. of Rows:1; Gender:Header; Series:42491; Body Material:Polyester; Current Rating:7A; Voltage Rating:250V 3 CONTACT(S), MALE, STRAIGHT TWO PART BOARD CONNECTOR, SOLDER
7 CONTACT(S), MALE, STRAIGHT TWO PART BOARD CONNECTOR, SOLDER
Molex, Inc.
MOLEX INC
43045-0613 43045-1013 43045-1213 43045-0213 43045- Header; No. of Contacts:6; Pitch Spacing:3mm; No. of Rows:2; Series:Mini-Fit 3.0; Connector Body Material:Polymer; Mounting Type:PC Board; Terminal Type:Straight Pin RoHS Compliant: Yes 6 CONTACT(S), MALE, POWER CONNECTOR, SOLDER
Header; No. of Contacts:10; Pitch Spacing:3mm; No. of Rows:2; Series:Micro-Fit; Connector Body Material:Polymer; Mounting Type:PC Board; Terminal Type:Straight Pin RoHS Compliant: Yes 10 CONTACT(S), MALE, POWER CONNECTOR, SOLDER
Header; No. of Contacts:12; Pitch Spacing:3mm; No. of Rows:2; Series:Micro-Fit; Connector Body Material:Polymer; Mounting Type:PC Board; Terminal Type:Straight Pin RoHS Compliant: Yes 12 CONTACT(S), MALE, POWER CONNECTOR, SOLDER
Header; No. of Contacts:2; Pitch Spacing:3mm; No. of Rows:2; Series:Micro-Fit; Connector Body Material:Polymer; Mounting Type:PC Board; Terminal Type:Straight Pin RoHS Compliant: Yes 2 CONTACT(S), MALE, POWER CONNECTOR, SOLDER
Microfit 3.0 Vert Thrhole DR 15Au 22 Ckt 22 CONTACT(S), MALE, POWER CONNECTOR, SOLDER
Header Connector,PCB Mnt,RECEPT,8 Contacts,PIN,0.118 Pitch,PC TAIL W/RETNN Terminal,POLARIZED LCK 8 CONTACT(S), MALE, POWER CONNECTOR, SOLDER
Molex, Inc.
87089-0616 Header; No. of Contacts:6; Pitch Spacing:2mm; No. of Rows:2; Series:Mill-Grid; Connector Body Material:Nylon; Mounting Type:PC Board; Terminal Type:Straight Pin 6 CONTACT(S), MALE, STRAIGHT TWO PART BOARD CONNECTOR, SOLDER
Molex, Inc.
68301-1006 68301-1069 68301-1035 68301-1028 68301- Header; No. of Contacts:5; Pitch Spacing:2.54mm; No. of Rows:1; Series:KK; Connector Body Material:Nylon; Mounting Type:PC Board; Terminal Type:Surface Mount RoHS Compliant: Yes 5 CONTACT(S), MALE, STRAIGHT TWO PART BOARD CONNECTOR, SURFACE MOUNT
.100 SR Vert SMT Custom Hdr 18 Ckt Tin 18 CONTACT(S), MALE, STRAIGHT TWO PART BOARD CONNECTOR, SURFACE MOUNT
Custom Header 100 SMT 7 ckt 7 CONTACT(S), MALE, STRAIGHT TWO PART BOARD CONNECTOR, SURFACE MOUNT
.100 SR SB Vert SMT Hdr 8Ckt 8 CONTACT(S), MALE, STRAIGHT TWO PART BOARD CONNECTOR, SURFACE MOUNT
Custom Header 100 SMT 3 ckt 3 CONTACT(S), MALE, STRAIGHT TWO PART BOARD CONNECTOR, SURFACE MOUNT
CONN HEADER 8POS .100 VERT 15AU 8 CONTACT(S), MALE, STRAIGHT TWO PART BOARD CONNECTOR, SURFACE MOUNT
.100 SR Vert SMT Custom Hdr 14 Ckt Tin 14 CONTACT(S), MALE, STRAIGHT TWO PART BOARD CONNECTOR, SURFACE MOUNT
CH 100 Single Row Vert SMT 2ckt 30au
CH 100 Single Row Vert SMT 3ckt 30au
Molex, Inc.
MOLEX INC
39870-0707 39870-0712 39870-0704 39870-0509 39870- 5mm pluggable header 7 position 7 CONTACT(S), MALE, RIGHT ANGLE TWO PART BOARD CONNECTOR, SOLDER
Terminal Block,PCB Mount,RECEPT,12 Contacts,PIN 12 CONTACT(S), MALE, RIGHT ANGLE TWO PART BOARD CONNECTOR, SOLDER
5mm pluggable header 4 position 4 CONTACT(S), MALE, RIGHT ANGLE TWO PART BOARD CONNECTOR, SOLDER
CONN HEADER 9POS 5MM VERT TIN 9 CONTACT(S), MALE, STRAIGHT TWO PART BOARD CONNECTOR, SOLDER
NEO 871606 6 CONTACT(S), MALE, STRAIGHT TWO PART BOARD CONNECTOR, SOLDER
8 CONTACT(S), MALE, RIGHT ANGLE TWO PART BOARD CONNECTOR, SOLDER
15 CONTACT(S), MALE, RIGHT ANGLE TWO PART BOARD CONNECTOR, SOLDER
Molex, Inc.
MOLEX INC
51700-11200412BCLF 51700-11907419CA 51700-30801208 28 CONTACT(S), MALE, STRAIGHT TWO PART BOARD CONNECTOR, SOLDER
112 CONTACT(S), MALE, STRAIGHT TWO PART BOARD CONNECTOR, PRESS FIT
76 CONTACT(S), MALE, STRAIGHT TWO PART BOARD CONNECTOR, SOLDER
156 CONTACT(S), MALE, STRAIGHT TWO PART BOARD CONNECTOR, SOLDER
16 CONTACT(S), MALE, STRAIGHT TWO PART BOARD CONNECTOR, SOLDER
100 CONTACT(S), MALE, STRAIGHT TWO PART BOARD CONNECTOR, SOLDER
52 CONTACT(S), MALE, STRAIGHT TWO PART BOARD CONNECTOR, PRESS FIT
108 CONTACT(S), MALE, STRAIGHT TWO PART BOARD CONNECTOR, SOLDER
108 CONTACT(S), MALE, STRAIGHT TWO PART BOARD CONNECTOR, PRESS FIT
116 CONTACT(S), MALE, STRAIGHT TWO PART BOARD CONNECTOR, PRESS FIT
158 CONTACT(S), MALE, STRAIGHT TWO PART BOARD CONNECTOR, SOLDER
86 CONTACT(S), MALE, STRAIGHT TWO PART BOARD CONNECTOR, SOLDER
86 CONTACT(S), MALE, STRAIGHT TWO PART BOARD CONNECTOR, PRESS FIT
110 CONTACT(S), MALE, STRAIGHT TWO PART BOARD CONNECTOR, PRESS FIT
62 CONTACT(S), MALE, STRAIGHT TWO PART BOARD CONNECTOR, SOLDER
98 CONTACT(S), MALE, STRAIGHT TWO PART BOARD CONNECTOR, PRESS FIT

 
 Related keyword From Full Text Search System
50009-1020R Hex 50009-1020R Electronics 50009-1020R ac/dc eurocard 50009-1020R Driver 50009-1020R command
50009-1020R 电子元器件 50009-1020R Programmable 50009-1020R found 50009-1020R programmable 50009-1020R appreciate
 

 

Price & Availability of 50009-1020R

All Rights Reserved © IC-ON-LINE 2003 - 2022  

[Add Bookmark] [Contact Us] [Link exchange] [Privacy policy]
Mirror Sites :  [www.datasheet.hk]   [www.maxim4u.com]  [www.ic-on-line.cn] [www.ic-on-line.com] [www.ic-on-line.net] [www.alldatasheet.com.cn] [www.gdcy.com]  [www.gdcy.net]


 . . . . .
  We use cookies to deliver the best possible web experience and assist with our advertising efforts. By continuing to use this site, you consent to the use of cookies. For more information on cookies, please take a look at our Privacy Policy. X
1.6896851062775