Part Number Hot Search : 
M5R18RPJ 9LV065M L6100251 CONSUMER 40020 28000 ML62A MJL2119
Product Description
Full Text Search

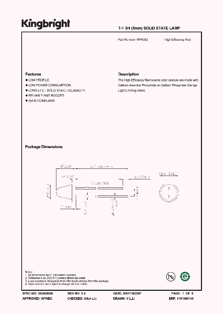
WP63ID - T-1 3/4 (5mm) SOLID STATE LAMP

WP63ID_4212262.PDF Datasheet


 Full text search : T-1 3/4 (5mm) SOLID STATE LAMP
 Product Description search : T-1 3/4 (5mm) SOLID STATE LAMP


 Related Part Number
PART Description Maker
MV3750 HLMP3950AA6R0 HLMP3750AA4R0 HLMP3850AA4R0 H    T-1 3/4 (5mm) SOLID STATE LAMPS
T-1 3/4 (5mm) SOLID STATE LAMPS T-1 3/4 SINGLE COLOR LED, GREEN, 5 mm
High Efficiency Green/AlGaAs Red Rectangular Solid State Lamp
High Efficiency Red T-1 3/4 (5 mm) Solid State Lamp
Green T-1 3/4 (5 mm) Solid State Lamp
Yellow T-1 3/4 (5 mm) Solid State Lamp
2 mA High Efficiency Red Low Current T-100 & T-1 3/4 Solid State Lamp
Fairchild Semiconductor, Corp.
http://
MV5353_4A 1 MV64530 MV64531 MV6153A MV6154A MV6754 DIFFUSED T-1 3/4 SOLID STATE LAMPS
High Efficiency Green Pale Tint Clear Lens T-100 Solid State Lamp
High Efficiency Red Pale orange Tint Clear Lens T-100 Solid State Lamp
High Efficiency Red Rectangular Solid State Lamp
Green/AlGaAs Red Bicolor T-100 (3 mm) Solid State LED Lamp
DIFFUSED T-1-3/4 SOLID STATE LAMPS
High Efficiency Red Diffused T-1 3/4 Solid State Lamp
High Efficiency Green Diffused T-1 3/4 Solid State Lamp
Yellow Diffused T-1 3/4 Solid State Lamp
Orange Diffused T-1 3/4 Solid State Lamp
High Efficiency Green Rectangular Solid State Lamp
DIFFUSED T-1SOLID STATE LAMPS 扩散的T 1?固态灯
DIFFUSED T-1 SOLID STATE LAMPS T-1 3/4 SINGLE COLOR LED, ORANGE, 4.825 mm
FAIRCHILD[Fairchild Semiconductor]
Fairchild Semiconductor Corporation
Fairchild Semiconductor, Corp.
WP63SRT T-1 3/4 (5mm) SOLID STATE LAMP
Kingbright Corporation
WP7083QBD-G T-1 3/4 (5mm) Solid State Lamp
Kingbright Corporation
WP7113SEC T-1 3/4 (5mm) SOLID STATE LAMP
Kingbright Corporation
L-53SRC-DV T-1 3/4 (5mm) SOLID STATE LAMP
Kingbright Corporation
WP63GT-15 T-1 3/4 (5mm) SOLID STATE LAMP
Kingbright Corporation
WP63ID-15 T-1 3/4(5mm) SOLID STATE LAMP
Kingbright Corporation
WP63YT T-1 3/4 (5mm) SOLID STATE LAMP
Kingbright Corporation
WP7083QBD-G-15 T-1 3/4 (5mm) SOLID STATE LAMP
Kingbright Corporation
LUO12D T-1 3/4 (5mm) SOLID STATE LAMP
SunLED Corporation
WP63YD T-1 3/4 (5mm) SOLID STATE LAMP
Kingbright Corporation
 
 Related keyword From Full Text Search System
WP63ID oscillator WP63ID Corporation WP63ID dropout WP63ID channel WP63ID analog devices
WP63ID channel WP63ID description WP63ID ic equivalent WP63ID ethernet transceiver WP63ID Technique
 

 

Price & Availability of WP63ID

All Rights Reserved © IC-ON-LINE 2003 - 2022  

[Add Bookmark] [Contact Us] [Link exchange] [Privacy policy]
Mirror Sites :  [www.datasheet.hk]   [www.maxim4u.com]  [www.ic-on-line.cn] [www.ic-on-line.com] [www.ic-on-line.net] [www.alldatasheet.com.cn] [www.gdcy.com]  [www.gdcy.net]


 . . . . .
  We use cookies to deliver the best possible web experience and assist with our advertising efforts. By continuing to use this site, you consent to the use of cookies. For more information on cookies, please take a look at our Privacy Policy. X
1.1669230461121