Part Number Hot Search : 
4VCXH 2SA1710 UM0004 MPR4361F 2N3885 S216R LC66506 AD8C211
Product Description
Full Text Search

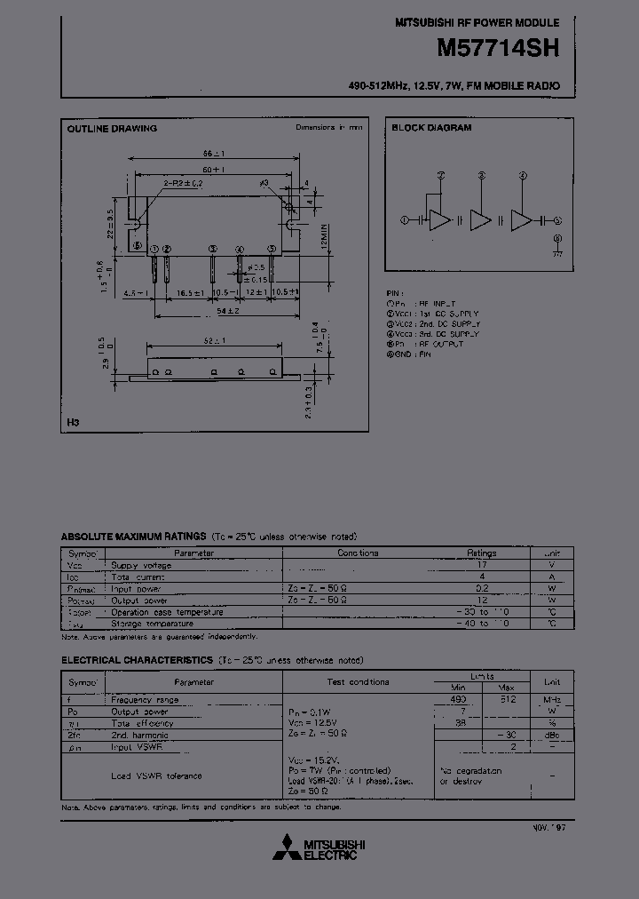
M57714SH - 490-512MHz 12.5V,7W,FM MOBILE RADIO From old datasheet system 490-512MHZ, 12.5V, 7W, FM MOBILE RADIO 490-512MHz 12.5V /7W /FM MOBILE RADIO

M57714SH_349937.PDF Datasheet


 Full text search : 490-512MHz 12.5V,7W,FM MOBILE RADIO From old datasheet system 490-512MHZ, 12.5V, 7W, FM MOBILE RADIO 490-512MHz 12.5V /7W /FM MOBILE RADIO
 Product Description search : 490-512MHz 12.5V,7W,FM MOBILE RADIO From old datasheet system 490-512MHZ, 12.5V, 7W, FM MOBILE RADIO 490-512MHz 12.5V /7W /FM MOBILE RADIO


 Related Part Number
PART Description Maker
M67749SHR 490-512MHz, 12.5V, 7W, FM PORTABLE RADIO 490 - 512MHz2.5V瓦,调频便携式收音机
490-512MHz / 12.5V / 7W / FM PORTABLE RADIO
RF POWER MODULE 490-512MHz, 12.5V, 7W, FM PORTABLE RADIO
Mitsubishi Electric, Corp.
MITSUBISHI[Mitsubishi Electric Semiconductor]
Mitsubishi Electric Corporation
M67749SH 490-512MHz / 12.5V / 7W / FM PORTABLE RADIO
490-512MHz, 12.5V, 7W, FM PORTABLE RADIO
MITSUBISHI[Mitsubishi Electric Semiconductor]
M57721 57721 450-512MHz 12.5V /7W /FM PORTABLE RADIO
450-512MHz 12.5V,7W,FM PORTABLE RADIO
450-512MHZ, 12.5V, 7W, FM MOBILE RADIO
From old datasheet system
Mitsubishi Electric Semiconductor
SD1146 2N5946 RF & MICROWAVE TRANSISTORS 450-512MHz CLASS C MOBILE APPLICATIONS
MICROSEMI[Microsemi Corporation]
M57729SH 490-512 MHz, 12.5V, 30W, FM MOBILE RADIO
Mitsubishi Electric Corporation
NTE368 Silicon NPN Transistor RF Power Output PO = 60W @ 512MHz
NTE[NTE Electronics]
NTE365 Silicon NPN Transistor RF Power Output PO = 15W @ 512MHz
NTE[NTE Electronics]
IXFH26N49Q 26 A, 490 V, 0.2 ohm, N-CHANNEL, Si, POWER, MOSFET, TO-247AD
IXYS CORP
HYB18L256160BC-7.5 HYB18L256160BF-7.5 HYB18L256160 DRAMs for Mobile Applications 256-Mbit Mobile-RAM
Qimonda AG
http://
HYB18L512160BF-7.5 HYE18L512160BF-7.5 DRAMs for Mobile Applications 512-Mbit Mobile-RAM
http://
HYE18L128160BF-7.5 DRAMs for Mobile Applications 128-Mbit Mobile-RAM
http://
ICS9248-168 ICS9248YF-168-T AMD - K7?Clock Generator for Mobile System
AMD - K7Clock Generator for Mobile System
Frequency Generator & Integrated Buffers
AMD - K7 Clock Generator for Mobile System
AMD K7 System Clock with up to 153MHz Processor Support
AMD - K7⑩ Clock Generator for Mobile System
AMD - K7?/a> Clock Generator for Mobile System
Integrated Circuit Syst...
ICST[Integrated Circuit Systems]
 
 Related keyword From Full Text Search System
M57714SH heatsink M57714SH vsen gate M57714SH 参数 封装 M57714SH semiconductor M57714SH transistor
M57714SH speech voice M57714SH power suppiy M57714SH 资料 M57714SH Regulators M57714SH integrated circuit
 

 

Price & Availability of M57714SH

All Rights Reserved © IC-ON-LINE 2003 - 2022  

[Add Bookmark] [Contact Us] [Link exchange] [Privacy policy]
Mirror Sites :  [www.datasheet.hk]   [www.maxim4u.com]  [www.ic-on-line.cn] [www.ic-on-line.com] [www.ic-on-line.net] [www.alldatasheet.com.cn] [www.gdcy.com]  [www.gdcy.net]


 . . . . .
  We use cookies to deliver the best possible web experience and assist with our advertising efforts. By continuing to use this site, you consent to the use of cookies. For more information on cookies, please take a look at our Privacy Policy. X
1.7495770454407